正航儀器真空皮帶脫水機摩擦帶與加料器
文章出處:正航儀器
人氣:
發表時間:2015-09-01
正航儀器真空皮帶脫水機摩擦帶與加料器
工作原理:摩擦帶安裝在真空室上部帶有密封水的凹槽中,隨皮帶一起轉動,以減少皮帶的磨損,并保障系統的高度真空度。
帶的構造與性能:
摩擦帶共分為三層:芯體和上下外層。
芯體:聚酯帆布
外層:上層 氯化乙稀(厚2.0mm) 顏色 綠色
下層 聚氨酯導電帆布 顏色 灰色
長度:視真空室長度而定
厚度:5.0mm
寬度:50mm
質量:5.7Kg/m2
允許張力:17.65KN/m
分子聚乙稀與摩擦帶下層的摩擦系數為0.3以下
摩擦帶的安裝:

首先將真空室吊架下方的活節螺栓松開,利用卷揚機將真空室放下,從操作側將摩擦帶裝進真空室的凹槽中,調整真空室兩端的張緊螺栓將摩擦帶張緊,饒度為10~30 mm為合適。
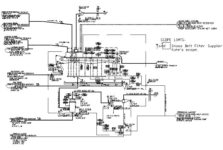
真空皮帶脫水機氣液分離器:
工作原理:如圖所示,真空泵通過氣液分離器將皮帶機上漿液中的水分抽出,由于大氣壓的作用,帶有大量氯離子的漿液回到濾液池,氣體則通過真空泵排出。
工作原理 :下料分管出口端連接導流倉,在導流倉內設置了兩塊相對的導流板,其一側與導流倉側壁連接形成一定夾角,其另一側與導流倉側壁留有一定間隙,間隙寬度為導流板寬度的三分之一。在二級導流板下方設置一塊與一級導流板平行的平鋪板,在平鋪板的尾端下方設置一塊多孔板。 石膏漿液經過下料分管,通過一級導流板、二級導流板、平鋪板及多孔板均勻鋪撒在濾布上,從而同時實現大顆粒優先沉降于濾布表面及均勻的濾餅厚度,取得了良好的透氣性,改善了過濾性能,最終提高了真空皮帶脫水機的脫水效率
安裝重點:
安裝后將加料器內的灰塵清理干凈。
法蘭口封閉,防止異物落入。
使用年限:2年
工作原理:摩擦帶安裝在真空室上部帶有密封水的凹槽中,隨皮帶一起轉動,以減少皮帶的磨損,并保障系統的高度真空度。
帶的構造與性能:
摩擦帶共分為三層:芯體和上下外層。
芯體:聚酯帆布
外層:上層 氯化乙稀(厚2.0mm) 顏色 綠色
下層 聚氨酯導電帆布 顏色 灰色
長度:視真空室長度而定
厚度:5.0mm
寬度:50mm
質量:5.7Kg/m2
允許張力:17.65KN/m
分子聚乙稀與摩擦帶下層的摩擦系數為0.3以下
摩擦帶的安裝:

首先將真空室吊架下方的活節螺栓松開,利用卷揚機將真空室放下,從操作側將摩擦帶裝進真空室的凹槽中,調整真空室兩端的張緊螺栓將摩擦帶張緊,饒度為10~30 mm為合適。
真空皮帶脫水機氣液分離器:
工作原理:如圖所示,真空泵通過氣液分離器將皮帶機上漿液中的水分抽出,由于大氣壓的作用,帶有大量氯離子的漿液回到濾液池,氣體則通過真空泵排出。

工作原理 :下料分管出口端連接導流倉,在導流倉內設置了兩塊相對的導流板,其一側與導流倉側壁連接形成一定夾角,其另一側與導流倉側壁留有一定間隙,間隙寬度為導流板寬度的三分之一。在二級導流板下方設置一塊與一級導流板平行的平鋪板,在平鋪板的尾端下方設置一塊多孔板。 石膏漿液經過下料分管,通過一級導流板、二級導流板、平鋪板及多孔板均勻鋪撒在濾布上,從而同時實現大顆粒優先沉降于濾布表面及均勻的濾餅厚度,取得了良好的透氣性,改善了過濾性能,最終提高了真空皮帶脫水機的脫水效率
安裝重點:
安裝后將加料器內的灰塵清理干凈。
法蘭口封閉,防止異物落入。
使用年限:2年
下一篇: 正航儀器真空皮帶脫水機濾布
上一篇: 正航儀器介紹整理皮拉尼真空計選型指南
此文關鍵詞:
同類文章排行
- PCT高壓老化試驗與HAST高壓老化試驗
- HAST高壓老化試驗箱操作步驟
- hast試驗箱工作原理
- 測量與計量的關系及區別
- 鹽霧試驗箱保障產品耐腐蝕性的重要工具
- 鹽霧試驗箱
- 如何正確評估鹽霧試驗箱的性能?
- 正航分享鹽霧試驗箱不噴霧的原因及解決方法
- 什么產品不能做鹽霧老化試驗?
- 鹽霧實驗箱的原理與應用
最新資訊文章
- 鹽霧試驗箱日常維護技巧
- 鹽霧試驗箱應該如何正確地使用?
- 鹽霧試驗箱的原理與應用
- 鹽霧試驗箱使用小技巧
- 如何選擇合適的鹽霧試驗箱
- 鹽霧試驗箱產品耐用性測試
- 鹽霧試驗箱的濕度控制技巧
- 鹽霧試驗箱守護產品質量
- 鹽霧試驗箱助您提升產品競爭力
- 鹽霧試驗箱提升測試效率
- 鹽霧試驗箱:高精度溫濕度控制
- 鹽霧實驗箱的原理與應用
- 鹽霧試驗箱測試結果準確性的關鍵要素
- 鹽霧試驗箱守護工業產品質量
- 鹽霧試驗箱故障排查的實用性技巧
- 鹽霧試驗箱:模擬海洋環境的利器
- 鹽霧試驗箱守護工業產品質量
- 鹽霧試驗箱助您打造高品質產品
- 鹽霧試驗箱保障產品耐腐蝕性的重要工具
- 鹽霧試驗箱
聯系我們
咨詢熱線:
400-822-8565

